TR-122

レスリースピーカ model 122:アンプ部分のソリッドステート版です
取り付けからコネクタ&ローター用モーターの出力電圧まで、完全互換

仕様

対応オルガン B-3
出力 60W
電源電圧 AC117V  ( B-3より供給)
その他 オリジナル model122 に準じる






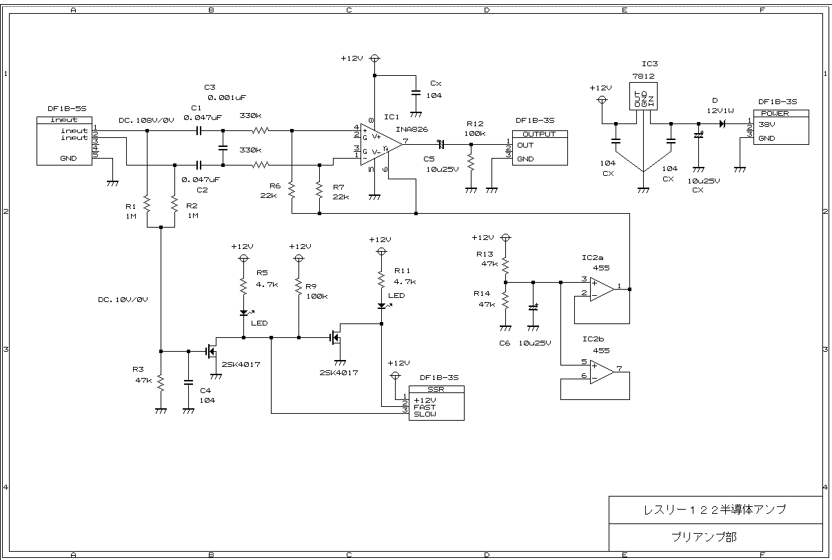
差動信号をノーマル信号に戻す回路を示す。
2つの2SK4017による回路は、ローター回転のSLOW/FAST信号を抽出
ドレーン出力は、基板外のSSR駆動側に接続


正面のクローズアップ オリジナルの真空管アンプと トランジスタ式互換アンプ