エレアコ・リペア日記
![]() |
ハードオフで買ってきたエレアコはこれだ!! 長い歳月の末に。またギターを弾く事になる・・この不思議なフィーリング イイねぇ これは電池とかは入っていない。??そんなんで良いのかな? さっそく家に帰って万能ミキサーにつないで弾いてみたが、どうも高音ばっかりで、要するに変だ・・音がペンペン こりゃ、プリアンプがないせいであろう |
![]() 内部回路です。・・そうか、500kΩという高いインピーダンスのまま外部に出すんだな。で、最近のミキサーは入力インピーダンスがそんなに高くないから、ピエゾだと高音域だけ残って、低音域が無くなる。んだな という事で、どんなアンプにも繋げる様にするには、インピーダンス変換の回路が必要という事だ |
|
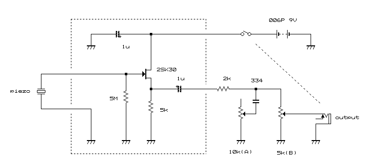
下記が改造した追加プリアンプ ピエゾにとって、低いインピーダンスの負荷は低音カットでしかナイ しかし、この様にエミッタフローより更に工インピーダンス型である FETによるソースフロアで受けると 低音部がカットされる事無く それはそれは重厚なサウンドが得られたのであります。 この回路は入力部が特に高インピーダンスであるので、 アンプ自体をしっかりしたシールドケースに入れる事が重要です。 |
|
![]() |
|
![]() |
![]() |
| 市販の電池ケースを買ってきて、それ様の穴を空けた 5万円の新品ならこんな事は出来ないが ハードオフでの5000円ならこんな所業も許される |
市販の電池ケースを埋め込んだ バッチリです。 |